MPT-Grundplatte

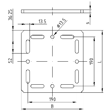
MPT-Grundplatte, 240 x 240 x 12 mm für Tragprofile Q50-Q150, roh

Art.-Nr.: 131840
Abgabeeinheit: 1 Stück
Gewicht/ME: 4,950 kg
Stück

Anwendung

  • Stabile Grund- und Anschlussplatte zum Verschweißen mit MPT-Tragprofilen für die Fertigung individueller Konsolen und Bauteilanschlüsse

Ihre Vorteile

  • Ausführung roh ohne Oberflächenbehandlung für optimale Ergebnisse beim Schweißen
  • Auf das MPT-Tragsystem abgestimmte Lochung der Grundplatte gewährleistet die Systemkompatibilität
  • Kostengünstige Herstellung von Konsolen mit individueller Auskraglänge
Kurzbeschreibung:
MPT-Grundplatte, 240 x 240 x 12 mm für Tragprofile Q50-Q150, roh
Schienensysteme:
für MPT-Profile
Produkttyp:
Verbindungsteile
Für Profile:
Q50-2,5, Q80-2,0, Q100-2,5, Q100-3,5, Q150-2,5
Material:
Stahl
Oberfläche:
Roh