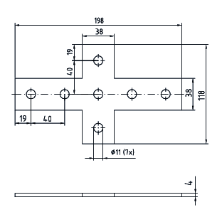
Kreuzverbindungsplatte

MPC/MPR-Kreuzverbindungsplatte für Profile 38/24-40/120, 41/21-41/124, verzinkt

Art.-Nr.: 113778
Abgabeeinheit: 25 Stück
Gewicht/ME: 0,315 kg
Stück

Anwendung

  • Kreuzverbindungsplatte zum Verbinden von bis zu 4 MPC- und MPR-Systemschienen in einer Ebene

Ihre Vorteile

  • Beim Verbinden über die Rückenlochung der MPC- und MPR-Systemschienen bleibt der Schienenschlitz in allen Richtungen frei und ermöglicht eine schnelle Montage von Anbauteilen
  • Ideales Verbindungselement zum Erstellen von Unterkonstruktionen für Deckenabhängungen
Kurzbeschreibung
MPC/MPR-Kreuzverbindungsplatte für Profile 38/24-40/120, 41/21-41/124, verzinkt
Schienensysteme
für MPR-Profile | für MPC-Profile
Produkttyp
Anbindungsteile
Für Profile
38/24-40/120, 41/21-41/124
Material
Stahl
Oberfläche
verzinkt
eCl@ss 11.1
23-36-02-90
eCl@ss 7.1
23-15-92-90
Zolltarifnummer
73269060
Weitere technische Details finden Sie im Datenblatt.